SS6951A双通道H桥电机驱动器,高集成、高可靠的电机控制解决方案

智车科技

3周前

原文标题:SS6951A双通道H桥电机驱动器,高集成、高可靠的电机控制解决方案。

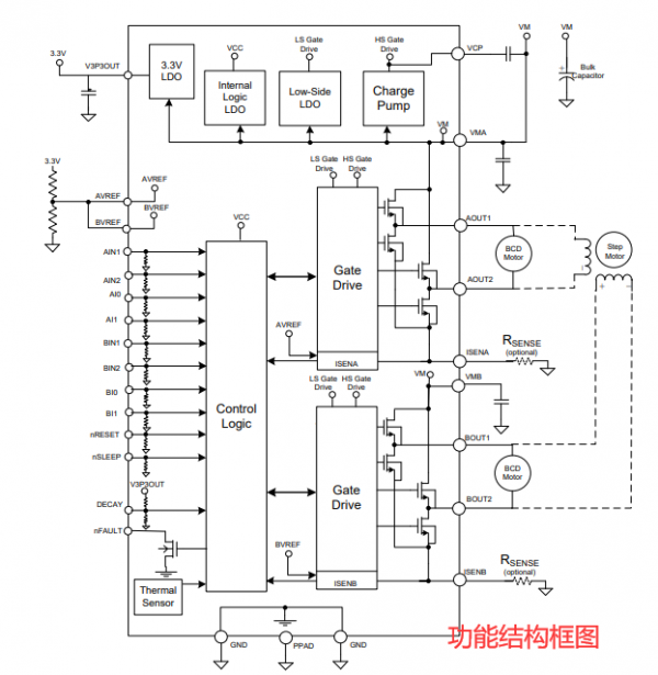
SS6951A是一款专为电机一体化应用设计的‌双通道集成电机驱动器‌,集成两路H桥驱动,可同时驱动两个刷式直流电机、一个双极步进电机,或螺线管等感性负载,每路峰值电流可达4A,兼具多种衰减模式、低功耗休眠等保护功能,适用于工业控制、机器人、自动化设备等多种场景。

SS6951A内部集成两个全桥驱动电路,每个桥路由 N 型功率 MOSFET 构成,具备低导通电阻(典型值 300mΩ)支持高达50V的工作电压,适用于多种电机类型与负载场景,多种衰减模式可选用户可通过 DECAY 引脚选择,混合衰减模式下,系统在15μs 的总衰减时间中,前30%为快衰减,之后转为慢衰减,有效平衡电机运行效率与噪声。

灵活的电流控制与细分支持

●支持2位电流控制,提供 4 个电流台阶(100%、71%、38%、0%)

●可通过外部 DAC 或固定参考电压(如 V3P30UT)设置电流阈值

●支持步进电机的整步、2细分、4细分运行,也可通过软件实现更高细分

关键电气特性

●工作电压范围:8.2V~ 36V(最大耐压 50V)

●每通道峰值电流:4.0A

●静态电流(睡眠模式):7μA(典型值)

●内置3.3V LDO,可为外部电路提供参考电压

●封装形式:eTSSOP28,带裸露焊盘,散热性能优异

提供简洁的并行数字控制接口:

AIN1/AIN2、BIN1/BIN2:控制 H 桥输出状态

AI0/AI1、BI0/BI1:设置电流台阶

nRESET:复位控制

nSLEEP:睡眠模式使能

DECAY:衰减模式选择

SS6951A以其高集成度、灵活的电流控制、多重保护机制和优良的散热性能,为电机驱动系统提供了一个高可靠性、高性价比的解决方案,无论是用于步进电机的精密控制,还是有刷直流电机的高效驱动,都能满足工业级应用的需求。如需了解更多技术细节或样品申请,可联系工采网:19168597394(微信同号)

原文标题 : SS6951A双通道H桥电机驱动器,高集成、高可靠的电机控制解决方案

原文标题:SS6951A双通道H桥电机驱动器,高集成、高可靠的电机控制解决方案。

SS6951A是一款专为电机一体化应用设计的‌双通道集成电机驱动器‌,集成两路H桥驱动,可同时驱动两个刷式直流电机、一个双极步进电机,或螺线管等感性负载,每路峰值电流可达4A,兼具多种衰减模式、低功耗休眠等保护功能,适用于工业控制、机器人、自动化设备等多种场景。

SS6951A内部集成两个全桥驱动电路,每个桥路由 N 型功率 MOSFET 构成,具备低导通电阻(典型值 300mΩ)支持高达50V的工作电压,适用于多种电机类型与负载场景,多种衰减模式可选用户可通过 DECAY 引脚选择,混合衰减模式下,系统在15μs 的总衰减时间中,前30%为快衰减,之后转为慢衰减,有效平衡电机运行效率与噪声。

灵活的电流控制与细分支持

●支持2位电流控制,提供 4 个电流台阶(100%、71%、38%、0%)

●可通过外部 DAC 或固定参考电压(如 V3P30UT)设置电流阈值

●支持步进电机的整步、2细分、4细分运行,也可通过软件实现更高细分

关键电气特性

●工作电压范围:8.2V~ 36V(最大耐压 50V)

●每通道峰值电流:4.0A

●静态电流(睡眠模式):7μA(典型值)

●内置3.3V LDO,可为外部电路提供参考电压

●封装形式:eTSSOP28,带裸露焊盘,散热性能优异

提供简洁的并行数字控制接口:

AIN1/AIN2、BIN1/BIN2:控制 H 桥输出状态

AI0/AI1、BI0/BI1:设置电流台阶

nRESET:复位控制

nSLEEP:睡眠模式使能

DECAY:衰减模式选择

SS6951A以其高集成度、灵活的电流控制、多重保护机制和优良的散热性能,为电机驱动系统提供了一个高可靠性、高性价比的解决方案,无论是用于步进电机的精密控制,还是有刷直流电机的高效驱动,都能满足工业级应用的需求。如需了解更多技术细节或样品申请,可联系工采网:19168597394(微信同号)

原文标题 : SS6951A双通道H桥电机驱动器,高集成、高可靠的电机控制解决方案

展开
打开“财经头条”阅读更多精彩资讯
APP内打开