GTX312L电容式触摸传感器-12通道触摸检测方案

智车科技

13小时前

GTX312L是韩国GreenChip(绿芯)推出的面向智能门锁(门禁)、消费电子及工业控制等多场景的高性能电容式触摸传感器,支持多达12个独立触摸检测通道,集成先进的低功耗引擎与智能噪声抑制技术,提供超强抗干扰能力和智能灵敏度校准功能,可实现PintoPin替换TSM12。

GTX312L是韩国 GreenChip(绿芯)推出的面向智能门锁(门禁)、消费电子工业控制等多场景的高性能电容式触摸传感器,支持多达12个独立触摸检测通道,集成先进的低功耗引擎与智能噪声抑制技术,提供超强抗干扰能力和智能灵敏度校准功能,可实现PintoPin替换TSM12。

产品特点:

供电电压:1.8V~5.5V范围

通道数:12路独立电容检测通道,支持单键、双键及多点触控

灵敏度:检测灵敏度 0.1pF,支持64级可编程调节

通信接口:标准 I²C(支持寄存器写锁、8个独立输出端口)

滑动模式‌:支持手势识别功能

功耗:待机 4.5µA,睡眠 10µA 左右

抗干扰:ESD 8kV,抗特斯拉线圈干扰(30kV/cm)

其他功能:自动灵敏度校准、幻灯片模式、支持玻璃/塑料/金属介质穿透、可佩戴手套操作。

封装:QFN32L(5.0×5.0×0.75mm,e=0.50)

‌应用领域‌

‌1、多按键应用‌:门锁、遥控器等

‌2、便携式电子产品‌:手机、MP3、PMP、PDA、导航设备、数码相机、摄像机等

‌3、多媒体设备‌:数码相框、家庭影院系统等

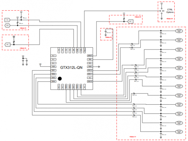
电路图

GTX312L其低功耗、高灵敏度、强抗干扰能力和灵活的可配置性,为现代电容触摸中的优选方案,无论是智能门锁、便携终端还是工业面板,都能提供稳定、精准且高效的触摸检测解决方案,ISweek工采网:19168597394(微信同号)提供产品PDF、技术支持和DEMO板、可申请样片。

原文标题 : GTX312L电容式触摸传感器-12通道触摸检测方案

GTX312L是韩国GreenChip(绿芯)推出的面向智能门锁(门禁)、消费电子及工业控制等多场景的高性能电容式触摸传感器,支持多达12个独立触摸检测通道,集成先进的低功耗引擎与智能噪声抑制技术,提供超强抗干扰能力和智能灵敏度校准功能,可实现PintoPin替换TSM12。

GTX312L是韩国 GreenChip(绿芯)推出的面向智能门锁(门禁)、消费电子工业控制等多场景的高性能电容式触摸传感器,支持多达12个独立触摸检测通道,集成先进的低功耗引擎与智能噪声抑制技术,提供超强抗干扰能力和智能灵敏度校准功能,可实现PintoPin替换TSM12。

产品特点:

供电电压:1.8V~5.5V范围

通道数:12路独立电容检测通道,支持单键、双键及多点触控

灵敏度:检测灵敏度 0.1pF,支持64级可编程调节

通信接口:标准 I²C(支持寄存器写锁、8个独立输出端口)

滑动模式‌:支持手势识别功能

功耗:待机 4.5µA,睡眠 10µA 左右

抗干扰:ESD 8kV,抗特斯拉线圈干扰(30kV/cm)

其他功能:自动灵敏度校准、幻灯片模式、支持玻璃/塑料/金属介质穿透、可佩戴手套操作。

封装:QFN32L(5.0×5.0×0.75mm,e=0.50)

‌应用领域‌

‌1、多按键应用‌:门锁、遥控器等

‌2、便携式电子产品‌:手机、MP3、PMP、PDA、导航设备、数码相机、摄像机等

‌3、多媒体设备‌:数码相框、家庭影院系统等

电路图

GTX312L其低功耗、高灵敏度、强抗干扰能力和灵活的可配置性,为现代电容触摸中的优选方案,无论是智能门锁、便携终端还是工业面板,都能提供稳定、精准且高效的触摸检测解决方案,ISweek工采网:19168597394(微信同号)提供产品PDF、技术支持和DEMO板、可申请样片。

原文标题 : GTX312L电容式触摸传感器-12通道触摸检测方案

展开
打开“财经头条”阅读更多精彩资讯
APP内打开