SS6810R:40V/1A双路步进电机驱动芯片

智车科技

5天前

●高驱动能力:每通道输出1A,工作电压范围10V40V。

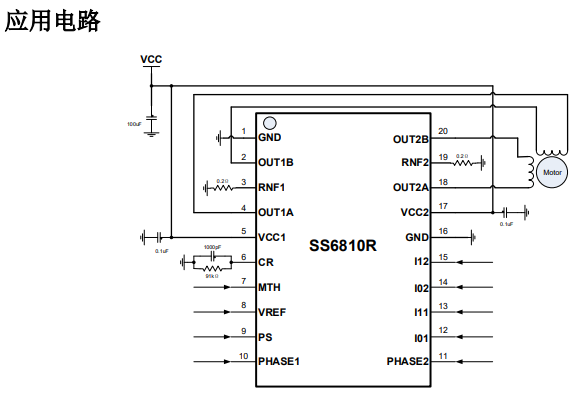
SS6810R是一款专为步进电机驱动设计的双路H桥驱动芯片,采用PWM电流控制方式,具备高达40V/1A的输出能力,支持PARA-IN 并行输入驱动模式,具备灵活的电流衰减模式选择(快衰减、慢衰减、混合衰减)用户可自由设定衰减比例,从而实现更平稳、高效的电机控制,适用于低功耗、高精度的步进电机控制系统。

产品描述:

SS6810R是一款由PWM电流驱动的双极低功耗电机驱动芯片,采用eTSSOP20 173mil封装,两路独立的H桥,提供 1A(每相)连续输出电流,支持全步、半步及四分之一步驱动模式;可编程电流衰减可通过MTH引脚可自由设定快衰减/慢衰减/混合衰减 比例,满足不同转矩与噪声需求,PWM恒流控制实现精准的电流斩波。

图片

主要特性

●高驱动能力:每通道输出1A,工作电压范围10V–40V

●低导通电阻:上管 0.83Ω(典型),下管 0.55Ω(典型)

●灵活电流控制:2 位DAC支持4档电流设置(0%、33%、67%、100%)

●可调衰减模式:通过MTH引脚设置快衰减、慢衰减或混合衰减

多重保护机制:

过温保护(TSD)

过流保护(OCP)

欠压保护(UVLO)

过压保护(OVLO)

内置下拉电阻:逻辑输入引脚默认下拉,提高系统稳定性

电流衰减模式可选

●慢衰减:电流下降平缓,转矩稳定,适用于全步模式或低频微步

●快衰减:电流下降快,波形失真小,适用于高频微步驱动

●混合衰减:结合两者优点,提升控制精度与效率。

图片

SS6810R以双路H桥、灵活的电流衰减模式、丰富的保护功能为核心,提供高效、可靠、易于集成的步进电机驱动解决方案,适用于多种高精度运动控制场景,通过合理的外围元件选型与PCB布局,可快速实现高性能的电机驱动系统,产品详细PDF资料、寻样测试、技术支持可联系ISweek工采网:19168597394(微信同号)

原文标题 : SS6810R:40V/1A双路步进电机驱动芯片

●高驱动能力:每通道输出1A,工作电压范围10V40V。

SS6810R是一款专为步进电机驱动设计的双路H桥驱动芯片,采用PWM电流控制方式,具备高达40V/1A的输出能力,支持PARA-IN 并行输入驱动模式,具备灵活的电流衰减模式选择(快衰减、慢衰减、混合衰减)用户可自由设定衰减比例,从而实现更平稳、高效的电机控制,适用于低功耗、高精度的步进电机控制系统。

产品描述:

SS6810R是一款由PWM电流驱动的双极低功耗电机驱动芯片,采用eTSSOP20 173mil封装,两路独立的H桥,提供 1A(每相)连续输出电流,支持全步、半步及四分之一步驱动模式;可编程电流衰减可通过MTH引脚可自由设定快衰减/慢衰减/混合衰减 比例,满足不同转矩与噪声需求,PWM恒流控制实现精准的电流斩波。

图片

主要特性

●高驱动能力:每通道输出1A,工作电压范围10V–40V

●低导通电阻:上管 0.83Ω(典型),下管 0.55Ω(典型)

●灵活电流控制:2 位DAC支持4档电流设置(0%、33%、67%、100%)

●可调衰减模式:通过MTH引脚设置快衰减、慢衰减或混合衰减

多重保护机制:

过温保护(TSD)

过流保护(OCP)

欠压保护(UVLO)

过压保护(OVLO)

内置下拉电阻:逻辑输入引脚默认下拉,提高系统稳定性

电流衰减模式可选

●慢衰减:电流下降平缓,转矩稳定,适用于全步模式或低频微步

●快衰减:电流下降快,波形失真小,适用于高频微步驱动

●混合衰减:结合两者优点,提升控制精度与效率。

图片

SS6810R以双路H桥、灵活的电流衰减模式、丰富的保护功能为核心,提供高效、可靠、易于集成的步进电机驱动解决方案,适用于多种高精度运动控制场景,通过合理的外围元件选型与PCB布局,可快速实现高性能的电机驱动系统,产品详细PDF资料、寻样测试、技术支持可联系ISweek工采网:19168597394(微信同号)

原文标题 : SS6810R:40V/1A双路步进电机驱动芯片

展开
打开“财经头条”阅读更多精彩资讯
APP内打开